Prezentowane zdjęcia i grafiki mają charakter poglądowy, produkt w rzeczywistości może nieznacznie różnić się od jego fotografii. Szczegółowe informacje techniczne znajdują się w karcie katalogowej produktu.
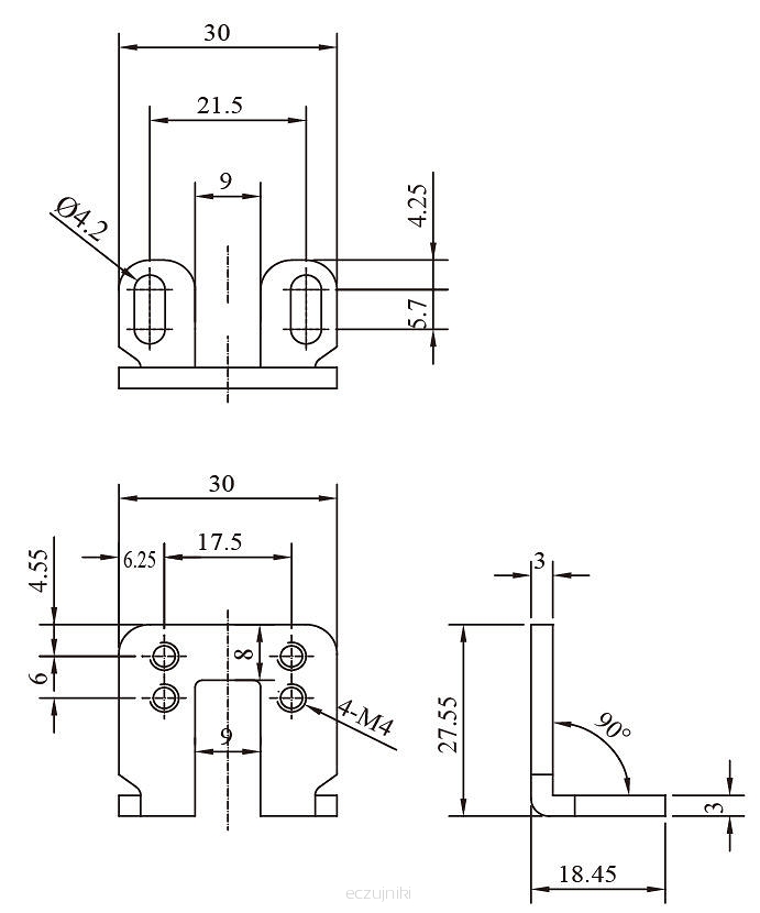
Płytka montażowa miniaturowych czujników indukcyjnych RiKO PN10




