Prezentowane zdjęcia i grafiki mają charakter poglądowy, produkt w rzeczywistości może nieznacznie różnić się od jego fotografii. Szczegółowe informacje techniczne znajdują się w karcie katalogowej produktu.
Enkoder inkrementalny CKQ58-H-PROG-ZCW415RL1 - parametry:
Jeden enkoder zastępujący 16384 enkodery!
Przemysłowy enkoder inkrementalny z programowalną rozdzielczością od 1 do 16 384 PPR. Programowalny kierunek liczenia cw i ccw.
Enkodery programowalne to doskonałe rozwiązanie dla działów utrzymania ruchu. Średnicę otworu Ø15mm można dopasować do swoich wymagań za pomocą tulejek redukcyjnych (Ø 6, 8, 9.52, 10, 12 mm). Solidny, niezawodny, tani, a przede wszystkim bardzo uniwersalny. Enkodery programowalne dostępne są również w wersji z wałkiem Ø6mm (IQ58/IQ58S)
Enkoder jest programowany przed wysyłką nieodpłatnie. Zamawiając ten produkt, należy podać w komentarzu żądaną rozdzielczość.
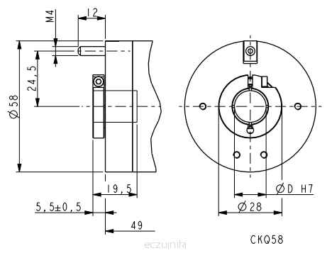
| Średnica otworu | Ø15mm |
| Zasilanie | 5-30Vdc |
| Przewód | tak, 12 żył, 1m |
| Rozdzielczość | programowalna 1 - 16384 imp./obr. |
| Maks. częst. wyj. | 500kHz maks. |
| Obwody wyj. | wyjście uniwersalne kompatybilne z Push-Pull i Line Driver |
| Sygnały wyj. | AB0, /AB0 |
| Temp. pracy | -40°C +85°C |
| Stopień ochrony | IP65 |
Enkoder inkrementalny CKQ58 - poradniki wideo:
| Programowanie enkodera LIKA CKQ58 z gniazdem M23 | |
| Programowanie enkodera LIKA IP58 z przewodem |
Jest
| Napięcie zasilania: | 5-30Vdc |
| Rozdzielczość: | 100 imp./obr., 1000 imp./obr., 1024 imp./obr., 200 imp./obr., 2048 imp./obr., 2500 imp./obr., 360 imp./obr., 500 imp./obr., 512 imp./obr., programowalna 1 - 16384 imp./obr. |
| Typ wyjścia: | push-pull, line driver |
| Sygnały wyjściowe: | /AB, AB, AB0, /AB0 |
| Maksymalna częstotliwość wyjściowa: | 500kHz |
| Średnica otworu: | Ø15mm |
| Przyłącze: | przewód 1m |
| Umieszczenie przewodu/konektora: | promieniowe |
| Maksymalny prąd pracy: | 40mA |
| Stopień ochrony: | IP65 |
| Temperatura pracy: | -40°C – +85°C |




