Prezentowane zdjęcia i grafiki mają charakter poglądowy, produkt w rzeczywistości może nieznacznie różnić się od jego fotografii. Szczegółowe informacje techniczne znajdują się w karcie katalogowej produktu.
Falownik 37/45kW INOVANCE MD290T37G/45P-INT - cechy główne:
- Sterowanie skalarne V/F
- Przełączalna przeciążalność, możliwość zastosowania w silnikach o mocy do 37kW z przeciążalnością 150% - (G) oraz w silnikach o mocy do 45kW z przeciążalnością 110% (P).
- Możliwość rozszerzenia o dodatkowe wejścia/wyjścia:
- MD38IO1 – 5 wejść cyfrowych, 1 wejścia analogowe, 1 wyjście przekaźnikowe, 1 wyjście tranzystorowe, 1 wyjście analogowe, komunikacja Modbus-RTU oraz CANlink (dostępna od mocy 15kW G/18,5kW P)
- MD38IO2 – 3 wejścia cyfrowe
- MD38IO3 – 3 wejścia cyfrowe, 1 wyjście przekaźnikowe, Modbus-RTU
- Komunikacja (opcjonalne karty):
- MD38CAN1 – komunikacja CANlink
- MD38CAN2 – komunikacja CANopen
- MD38TX1 – komunikacja Modbus-RTU
- MD38DP2 – komunikacja PROFIBUS-DP (dostępna od mocy 15kW G/18,5kW P)
- MD500-PN1 – komunikacja PROFINET
- MD500-ECAT – komunikacja EtherCAT
- Automatyczne forsowanie momentu
- Częstotliwość wyjściowa 0-500Hz (możliwość zamówienie w wersji z częstotliwością do 4500Hz)
- Wbudowany czoper hamowania
- Kompensacja poślizgu
- Ochronna powłoka na płytkach PCB zapewniająca prawidłowe działanie także w niesprzyjającym środowisku klasy 3C2 (gazy chemiczne) I 3S2 (cząstki stałe) 2
- Darmowe oprogramowanie narzędziowe InoDriveShop dostępne w zakładce Do pobrania
Falownik 37/45kW INOVANCE MD290T37G/45P-INT - specyfikacja techniczna:
| Kod zamówieniowy | • MD290T37G/45P-INT |
|---|---|
| Moc znamionowa | • 37 kW (praca ciężka) • 45 kW (praca normalna) |
| Napięcie zasilające | • 3-fazowe, 400 V |
| Prąd znamionowy | • 75 A (praca ciężka) • 91 A (praca ciężka) |
| Rodzaj sterowania | • Skalarne V/F |
| Częstotliwość wyjściowa | • 0-500 Hz 1 |
| Przeciążalność | • 110% przez 1 min. co 10 min (praca normalna) • 150% przez 1 min. co 10 min (praca ciężka) |
| Powłoka ochronna | • płytki PCB pokryte powłoką zgodną z IEC 60721-3- 3, odporną na środowiska klas 3C2 (gazy chemiczne) i 3S2 (cząstki stałe) 2 |
| Karta PLC | • dostępna osobno karta rozszerzająca dająca pełną funkcjonalność sterownika z serii H1U • darmowe środowisko programistyczne AutoShop (kompatybilne z innymi sterownikami PLC INOVANCE) |
| Stopień ochrony | • IP20 |
| Temperatura pracy | • -10°C~+50°C 3 |
| Wejścia analogowe | • 2, jedno 0-10V, drugie wybieralne: 0-10 V; 0-20 mA |
| Wejścia cyfrowe | • 5 wejść NPN/PNP, w tym jedno szybkie do 100 kHz |
| Wyjście analogowe | • 1, wybieralne 0-10 V; 0-20 mA |
| Wyjścia cyfrowe | • 1 przekaźnikowe (NO/NC) • 1 tranzystorowe (otwarty kolektor) |
| Wyjście impulsowe | • 1, szybkie wyjście 0 - 100 kHz |
| Hamowanie | • hamowanie prądem stałym (DC) • wbudowany chopper hamowania • możliwość dołączenia rezystora hamowania |
| Wymiary | • 400 mm / 250 mm / 220 mm, (S/W/G) |
| Certyfikaty | • CE, TÜV oraz UL |
| Chłodzenie | • wentylator chłodzący |
| Gwarancja | • 24 miesiące |
Falownik 37/45kW INOVANCE MD290T37G/45P-INT - cechy główne:
- Sterowanie skalarne V/F
- Przełączalna przeciążalność, możliwość zastosowania w silnikach o mocy do 37kW z przeciążalnością 150% - (HD) oraz w silnikach o mocy do 45kW z przeciążalnością 110% (ND).
- Możliwość rozszerzenia o dodatkowe wejścia/wyjścia:
- MD38IO1 – 5 wejść cyfrowych, 1 wejścia analogowe, 1 wyjście przekaźnikowe, 1 wyjście tranzystorowe, 1 wyjście analogowe, komunikacja Modbus-RTU oraz CANlink (dostępna od mocy 15kW HD/18,5kW ND)
- MD38IO2 – 3 wejścia cyfrowe
- MD38IO3 – 3 wejścia cyfrowe, 1 wyjście przekaźnikowe, Modbus-RTU
- Komunikacja (opcjonalne karty):
- MD38CAN1 – komunikacja CANlink
- MD38CAN2 – komunikacja CANopen
- MD38TX1 – komunikacja Modbus-RTU
- MD38DP2 – komunikacja PROFIBUS-DP (dostępna od mocy 15kW HD/18,5kW ND)
- MD500-PN1 – komunikacja PROFINET
- MD500-ECAT – komunikacja EtherCAT
- Automatyczne forsowanie momentu
- Częstotliwość wyjściowa 0-500Hz (możliwość zamówienie w wersji z częstotliwością do 4500Hz)
- Wbudowany czoper hamowania
- Kompensacja poślizgu
- Ochronna powłoka na płytkach PCB zapewniająca prawidłowe działanie także w niesprzyjającym środowisku klasy 3C2 (gazy chemiczne) I 3S2 (cząstki stałe) 2
- Darmowe oprogramowanie narzędziowe InoDriveShop dostępne w zakładce Do pobrania
Falownik 37/45kW INOVANCE MD290T37G/45P-INT - specyfikacja techniczna:
| Kod zamówieniowy | • MD290T37G/45P-INT |
|---|---|
| Moc znamionowa | • 37 kW (praca ciężka) • 45 kW (praca normalna) |
| Napięcie zasilające | • 3-fazowe, 400 V |
| Prąd znamionowy | • 75 A (praca ciężka) • 91 A (praca ciężka) |
| Rodzaj sterowania | • Skalarne V/F |
| Częstotliwość wyjściowa | • 0-500 Hz 1 |
| Przeciążalność | • 110% przez 1 min. co 10 min (praca normalna) • 150% przez 1 min. co 10 min (praca ciężka) |
| Powłoka ochronna | • płytki PCB pokryte powłoką zgodną z IEC 60721-3- 3, odporną na środowiska klas 3C2 (gazy chemiczne) i 3S2 (cząstki stałe) 2 |
| Karta PLC | • dostępna osobno karta rozszerzająca dająca pełną funkcjonalność sterownika z serii H1U • darmowe środowisko programistyczne AutoShop (kompatybilne z innymi sterownikami PLC INOVANCE) |
| Stopień ochrony | • IP20 |
| Temperatura pracy | • -10°C~+50°C 3 |
| Wejścia analogowe | • 2, jedno 0-10V, drugie wybieralne: 0-10 V; 0-20 mA |
| Wejścia cyfrowe | • 5, w tym jedno szybkie do 100 kHz |
| Wyjście analogowe | • 1, wybieralne 0-10 V; 0-20 mA |
| Wyjścia cyfrowe | • 1 przekaźnikowe (NO/NC) • 1 tranzystorowe (otwarty kolektor) |
| Wyjście impulsowe | • 1, szybkie wyjście 0 - 100 kHz |
| Hamowanie | • hamowanie prądem stałym (DC) • wbudowany chopper hamowania • możliwość dołączenia rezystora hamowania |
| Wymiary | • 400 mm / 250 mm / 220 mm, (S/W/G) |
| Certyfikaty | • CE, TÜV oraz UL |
| Chłodzenie | • wentylator chłodzący |
| Gwarancja | • 24 miesiące |
1 - możliwość zamówienia falownika w wykonaniu z częstotliwością do 4500Hz.
2 - C: substancje aktywne chemicznie, S: substancje aktywne mechanicznie
3 - przy temperaturze pracy pomiędzy 40 a 50°C należy wziąć pod uwagę szybsze zużywanie się urządzenia.
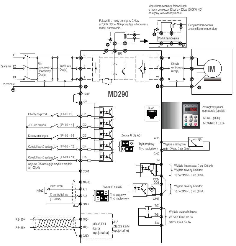
Falownik 37/45kW INOVANCE MD290T37G/45P-INT - schemat podłączeń:

Falownik MD290T37G/45P-INT - poradniki wideo:
| Programowanie, parametryzacja falownika INOVANCE MD500. W falownikach MD290 proces przebiega identycznie | |
| Autotuning statyczny falownika INOVANCE MD500. W falownikach MD290 proces autotuningu przebiega identycznie. Nie ma jednak możliwości przełączenia na sterowania wektorowe, ponieważ MD290 to falowniki skalarne | |
| Autotuning dynamiczny falownika INOVANCE MD500. W falownikach MD290 proces autotuningu przebiega identycznie. Nie ma jednak możliwości przełączenia na sterowania wektorowe, ponieważ MD290 to falowniki skalarne |
Falownik MD290T37G/45P-INT - zastosowania:
Urządzenie znajduje zastosowanie jako: falownik do wentylatora, falownik do pompy, falownik do traka, falownik do piły, falownik do kompresora, falownik do przenośnika taśmowego, falownik do przenośnika łańcuchowego, falownik do przenośnika ślimakowego, falownik do podnośnika kubełkowego, falownik do podajnika, falownik do elektrowrzeciona, falownik do wrzeciona, falownik do tokarki, falownik do frezarki, falownik do mieszadła, falownik do wirówki, falownik do sprężarki, falownik do podnośnika, falownik do suwnicy, falownik do żurawia, falownik do szlifierki, falownik do nawijarki, falownik do gwintownicy, falownik do obrotnicy, falownik do obrotnika, falownik do hydroforu, falownik do suszarni.
| Typ falownika: | MD290 |
| Napięcie zasilania: | 3 x 400Vac |
| Moc znamionowa: | 37kW |
| Współpraca z enkoderem: | tak (po zastosowaniu dodatkowej karty) |
| Interfejs komunikacyjny: | CANlink, CANopen, EtherCAT, Modbus RTU, Profibus, Profinet |




