Prezentowane zdjęcia i grafiki mają charakter poglądowy, produkt w rzeczywistości może nieznacznie różnić się od jego fotografii. Szczegółowe informacje techniczne znajdują się w karcie katalogowej produktu.
Enkoder inkrementalny CKQ58-H-PROG-ZCZ415R - parametry:
Jeden enkoder zastępujący 16384 enkodery!
Przemysłowy enkoder inkrementalny z programowalną rozdzielczością od 1 do 16 384 PPR. Programowalny kierunek liczenia cw i ccw.
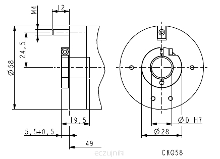
Enkodery programowalne to doskonałe rozwiązanie dla działów utrzymania ruchu. Dostępne są w wersji z wałkiem Ø6mm (IQ58) i otworem Ø15mm (CKQ58), który można dopasować do swoich wymagań za pomocą tulejek redukcyjnych (Ø 6, 8, 9.52, 10, 12 mm). Solidny, niezawodny, tani, a przede wszystkim bardzo uniwersalny.
Enkoder jest programowany przed wysyłką nieodpłatnie. Zamawiając ten produkt, należy podać w komentarzu żądaną rozdzielczość.
| Średnica otworu | Ø15mm |
| Zasilanie | 5-30Vdc |
| Gniazdo | M23, 12 pinów |
| Rozdzielczość | programowalna 1 - 16384 imp./obr. |
| Maks. częst. wyj. | 500kHz maks. |
| Obwody wyj. | wyjście uniwersalne kompatybilne z Push-Pull i Line Driver |
| Sygnały wyj. | AB0, /AB0 |
| Temp. pracy | -40°C +85°C |
| Stopień ochrony | IP65 |
Enkoder inkrementalny CKQ58 - poradniki wideo:
| Programowanie enkodera LIKA CKQ58 z gniazdem M23 |
Jest
| Napięcie zasilania: | 5-30Vdc |
| Rozdzielczość: | 100 imp./obr., 1000 imp./obr., 1024 imp./obr., 200 imp./obr., 2048 imp./obr., 2500 imp./obr., 360 imp./obr., 500 imp./obr., 512 imp./obr., programowalna 1 - 16384 imp./obr. |
| Typ wyjścia: | push-pull, line driver |
| Sygnały wyjściowe: | /AB, AB, AB0, /AB0 |
| Maksymalna częstotliwość wyjściowa: | 500kHz |
| Średnica otworu: | Ø15mm |
| Przyłącze: | gniazdo M23 |
| Umieszczenie przewodu/konektora: | promieniowe |
| Maksymalny prąd pracy: | 40mA |
| Stopień ochrony: | IP65 |
| Temperatura pracy: | -40°C – +85°C |




