Prezentowane zdjęcia i grafiki mają charakter poglądowy, produkt w rzeczywistości może nieznacznie różnić się od jego fotografii. Szczegółowe informacje techniczne znajdują się w karcie katalogowej produktu.
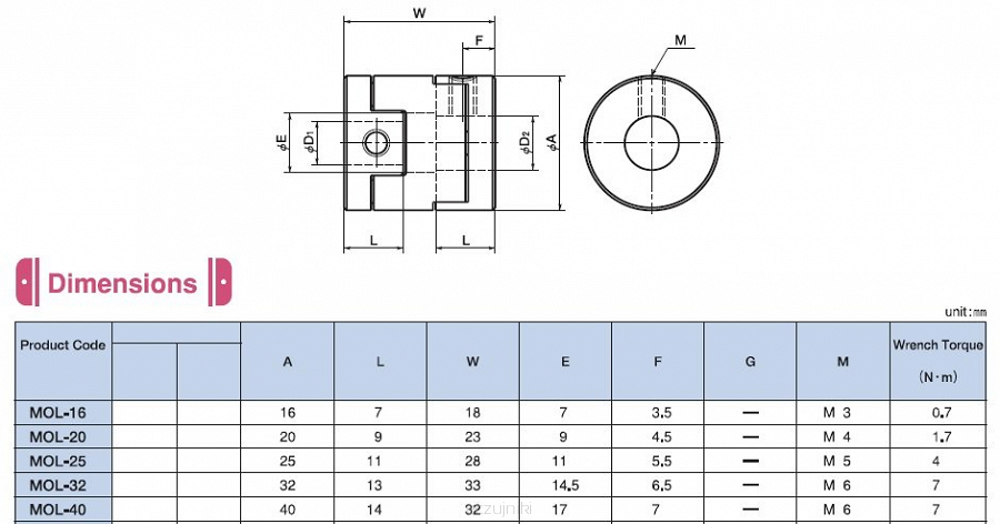
Sprzęgło mieszkowe do enkoderów MOL-25-8-8:
- identyczne parametry dla obu kierunków ruchu
- do zastosowań również w silnikach krokowych
szt.
Cena brutto: 126,06 zł
102,49 zł
Dostępność:
Jest
(5 szt.)
Jest
✓ Dostawa w 24H
dla zamówień złożonych i opłaconych przed godz. 13.00
| Średnice otworów sprzęgła: | Ø8-Ø8 |




